
رابط زاویه 45 درجه (45° Gravity Merge/Divert Interface) به عنوان یک قطعه واسط در خطوط انتقال عمل کرده و بسته به محل قرارگیری، امکان ادغام بارها در خط اصلی یا انحراف آنها به خطوط فرعی را فراهم میسازد. در صورت نصب زاویهدار، بارها با استفاده از نیروی گرانش و شیب ایجادشده، با سرعت بیشتری حرکت میکنند. این تجهیز نقش مهمی در سازماندهی و هدایت جریان کالا در فضاهای محدود و مسیرهای چندجهته دارد.
مزایا:
۱. هدایت مؤثر بارها به خطوط اصلی یا فرعی بدون نیاز به موتور
۲. کاهش فضای مورد نیاز در جانمایی خطوط
۳. نصب آسان در امتداد نوارهای مستقیم یا زاویهدار
۴. استفاده از نیروی جاذبه برای انتقال روان کالا
۵. بدون نیاز به انرژی الکتریکی – صرفهجویی در مصرف برق
۶. مناسب برای ادغام (Merge) یا انحراف (Divert) بستههای با کف صاف
معایب :
۱. محدودیت در جابجایی بارهای نامتوازن یا با پایههای ناصاف
۲. نیاز به تنظیم دقیق زاویه برای جلوگیری از شتاب بیش از حد
۳. کنترل محدود بر سرعت کالاها در زاویه بالا
۴. حساسیت به چیدمان غلط در خطوط چندگانه
موارد کاربرد رایج :
۱. اتصال خط فرعی به خط اصلی در مراکز توزیع
۲. خطوط تفکیک یا ادغام کالا در مراکز پستی و سورتینگ
۳. انحراف بار به مسیرهای جانبی برای بستهبندی یا بازرسی
۴. ایجاد تغییر مسیر بدون موتور در خطوط کممصرف
۵. خطوط انتقال ساده در انبارها، کارخانجات و ایستگاههای تجمیع
ملاحضات طراحی :
۱. تعیین زاویه نصب متناسب با نوع، وزن و ابعاد بستهها
۲. بررسی همراستایی دقیق با خط اصلی جهت جلوگیری از انسداد
۳. استفاده از غلتکهای روان و مقاوم در برابر خوردگی
۴. در نظر گرفتن سرعت مناسب در نقطه ورود و خروج کالا
۵. طراحی ایمن برای جلوگیری از واژگونی یا افتادن بار در نقطه انحراف یا ادغام
اجرای اصلی :
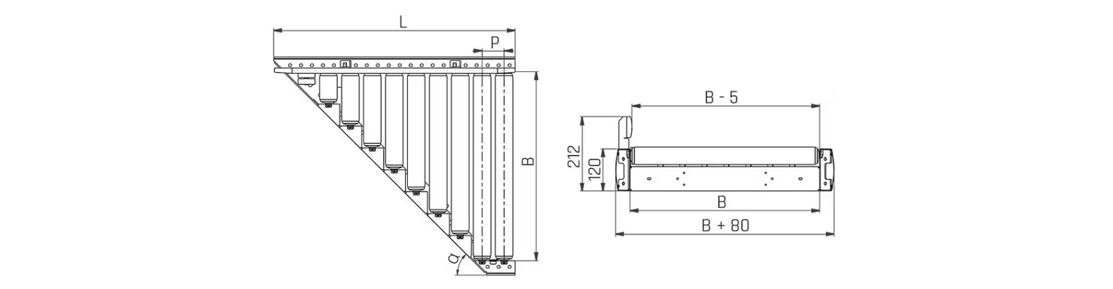
۱. قاب فولادی مستحکم با زاویه 4۰ درجه
۲. غلتکهای گرانشی مستقیم برای انتقال اولیه بار
۳. غلتکهای ترکیبی یا مخروطی جهت هدایت یکنواخت در زاویه
۴. اتصالات جانبی برای الحاق به خطوط گرانشی یا موتوردار
۵. پایههای قابل تنظیم برای تغییر ارتفاع و زاویه نصب
حد اکثر بار : 50 کیلوگرم
جنس سطح غلتک: فولاد گالوانیزه با روکش پلیپروپیلن
قطر غلتک: ۵۰ میلیمتر
سرعت: بستگی به محصول و زاویه شیب دارد.
دمای محیط: 5- تا 40 درجه سانتی گراد

اجزای اضافی: نوار، انتهای نوار، تکیهگاهها، رابطها، صفحه متوقفکننده.
B / عرض / ۴۲۰، ۶۲۰، ۸۲۰
P / گام غلتک داخلی / 62 میلیمتر
α / زاویه قوس / 45 درجه