
نوار نقاله گرانشی ۳۰ درجه (30° Gravity Curve Conveyor) قوس گرانشی ۳۰ درجه، برای تغییر جهت حرکت کالا در مسیرهای انتقال بدون نیاز به نیروی محرکه استفاده میشود. این تجهیز با بهرهگیری از نیروی جاذبه و طراحی منحنیشکل، جریان کالا را بهصورت پیوسته و روان در زوایای مشخص هدایت میکند. بسته به نیاز، میتوان آن را بهصورت افقی یا با شیب مشخص نصب کرد.
مزایا:
۱. تغییر جهت جریان کالا بدون استفاده از موتور یا برق
۲. کاهش هزینههای نگهداری و مصرف انرژی
۳. مناسب برای خطوط با فضای محدود و نیازمند تغییر مسیر
۴. قابلیت ادغام آسان با سایر تجهیزات گرانشی و موتوردار
۵. حرکت روان کالا به کمک غلتکهای مخروطی
۶. قابل استفاده در شیب برای افزایش سرعت انتقال
معایب :پ
۱. محدودیت در حمل بارهای بسیار سبک یا نامتوازن
۲. کنترلپذیری کمتر نسبت به قوسهای موتوردار در سرعتهای بالا
۳. حساسیت به همراستایی در نصب جهت جلوگیری از انحراف کالا
۴. وابستگی کامل به نیروی گرانش – بدون شیب ممکن است کارایی کاهش یابد
موارد کاربرد رایج :
۱. تغییر مسیر جریان کالا در خطوط گرانشی انبارها و مراکز سورتینگ
۲. استفاده در سیستمهای پیکینگ دستی و بستهبندی
۳. اتصال بخشهای مستقیم گرانشی به نوارهای زاویهدار
۴. خطوط برگشتی یا جانبی بدون نیاز به موتور
۵. کاربرد در سیستمهای انتقال کمهزینه و صرفهجو در انرژی
ملاحضات طراحی :
۱. تعیین زاویه نصب متناسب با نوع و وزن کالا
۲. اطمینان از تطابق شعاع قوس با ابعاد بستههای عبوری
۳. استفاده از غلتکهای با کیفیت بالا برای حرکت نرم و بدون لغزش
۴. پیشبینی مسیر خروج مناسب پس از قوس برای جلوگیری از انباشت
۵. در صورت استفاده در شیب، محاسبه دقیق سرعت نهایی کالا
اجرای اصلی :
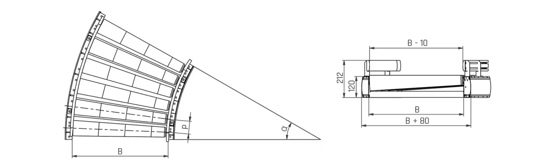
۱. قاب فولادی منحنی با زاویه ۳۰ درجه
۲. شش عدد غلتک مخروطی برای هدایت یکنواخت بار
۳. اتصالات استاندارد جهت اتصال به نوارهای مستقیم گرانشی یا موتوردار
۴. پایههای قابل تنظیم برای تعیین شیب یا تراز افقی
۵. گاردهای جانبی برای جلوگیری از خروج بار (در صورت نیاز)
حد اکثر بار : 50 کیلوگرم
جنس سطح غلتک: فولاد گالوانیزه با روکش پلیپروپیلن
قطر غلتک: ۵۰ میلیمتر
سرعت: بستگی به محصول و زاویه شیب دارد.
دمای محیط: 5- تا 40 درجه سانتی گراد

اجزای اضافی: نوار، انتهای نوار، تکیهگاهها، رابطها، صفحه متوقفکننده.
B / عرض / ۴۲۰، ۶۲۰، ۸۲۰
P / گام غلتک داخلی / ۷۳ میلیمتر
α / زاویه قوس / ۳۰ درجه